Introduction:
-
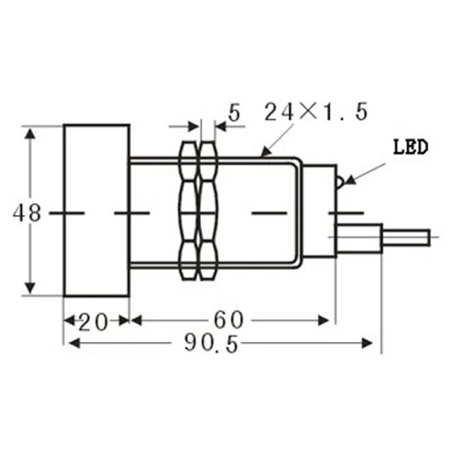
- Lorentzzi® LM480 sensor is a very long-range inductive proximity sensor used for detecting metallic objects in industrial control applications.
- It has a very long detection range of up to 25.0 mm and outputs a signal as soon as an object enters this range.
- Its outer shell is made of high-quality nickel-plated brass, which has higher corrosion resistance; the head is made of PBT plastic, which has high mechanical strength and is flame retardant.
- Its output can be a transistor PNP or NPN output, or a voltage-free relay output. The response time of a transistor output is much faster than that of a relay output.
- This LM480 sensor comes with big and clear red LED indicators to help us clearly understand its working status.
- This sensor can be used for applications such as metal object counting, metal proximity detection, and motor speed measurement(You can also use our incremental rotary encoder to measure the motor speed).
- If you are looking for long-range proximity sensors from Chinese suppliers, please fill out the form below to contact us immediately!
Specifications:
| Non-flush | Detection distance | 25.0 mm | ||
| DC6-36V | NPN | NO | LM480-3025NA | |
| NC | LM480-3025NB | |||
| NO+NC | LM480-3025NC | |||
| PNP | NO | LM480-3025PA | ||
| NC | LM480-3025PB | |||
| NO+NC | LM480-3025PC | |||
| Two-wire | NO | LM480-3025LA | ||
| NC | LM480-3025LB | |||
| AC90-250V | Thyristor | NO | LM480-3025A | |
| NC | LM480-3025B | |||
| NO+NC | LM480-3025C | |||
| Relay output | / | |||
| Output | DC | 200 mA | ||
| SCR/relay | 300 mA/1 A | |||
| DC/AC Output voltage drop | DC<3V, AC<10V | |||
| Current consumption | DC<15 mA, AC<10 mA | |||
| Standard detected object | 50*50*1 mm(St37-2) | |||
| Repeated precision | 0.1 | |||
| DC/AC response frequency | 100 Hz/25 Hz | |||
| Operating ambient temperature | -25℃~75℃ | |||
| Insulation resistance | 50 MΩ | |||
| Shell material | Nickel-plated brass or stainless steel | |||
| Protection grade | IP67 |







